
Driver Side Fuse Panel 1993 1996 Toyota Corolla

D70d4 Toyota 5efe Wiring Diagram Digital Resources

Toyota Throttle Position Sensor All About Circuits

2

Toyota Corolla Service Manual Body 1974 Page 04 04 100dpi

Toyota Corolla A C Air Conditioning Not Working How To Do 3 Tests

1993 1997 Toyota Corolla Stereo Removal And Replacement With
1993 1997 Toyota Corolla Troubleshooting 1993 1994 1995 1996

Toyota Corolla Car Stereo Wiring Color Explained 2003 08 How To

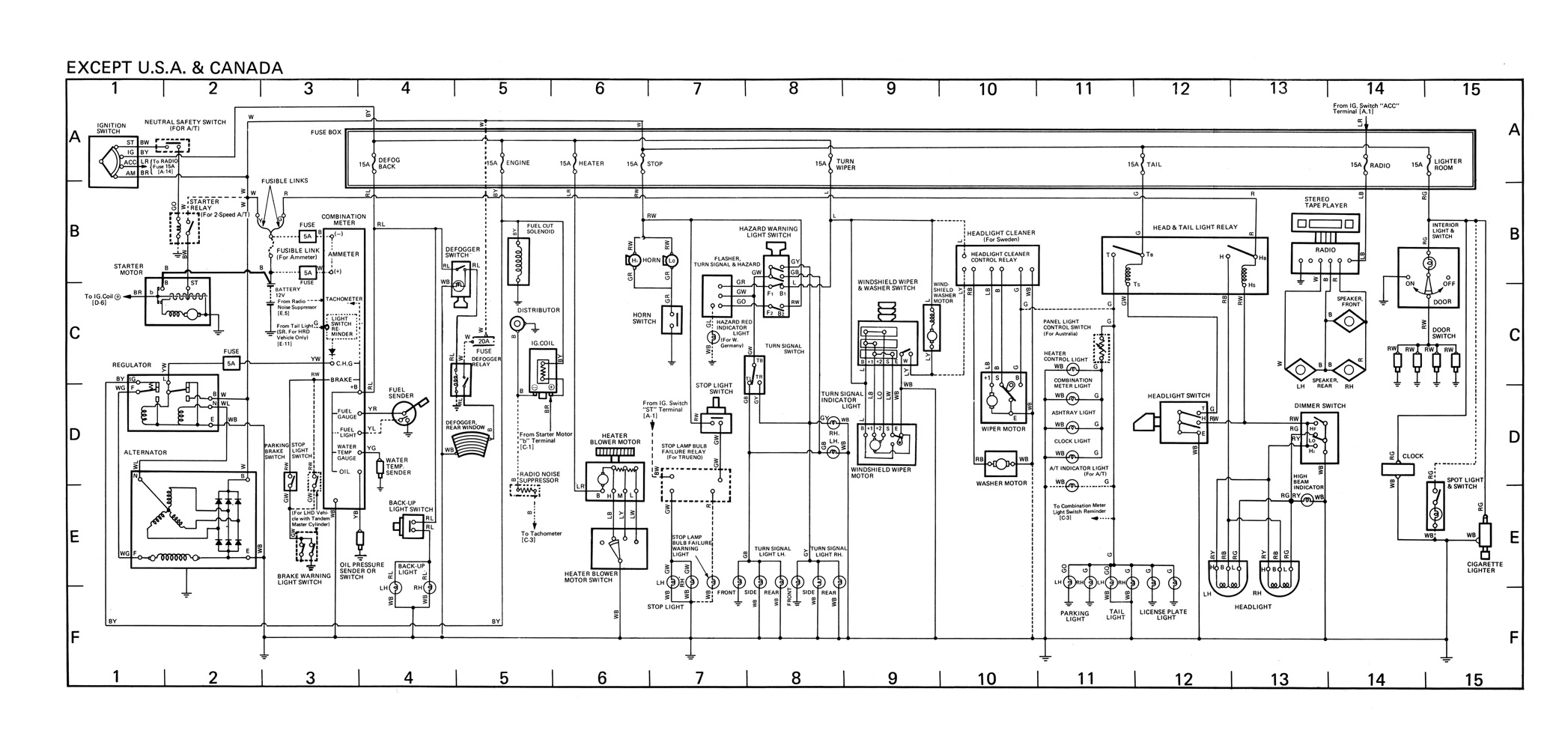
Workshop Manuals General Information Wiring Diagrams Sq

Repair Guides

Toyota Corolla 1992 1996 Fuse Box Diagram Auto Genius

Workshop Manuals General Information Wiring Diagrams Sq

0f797 Toyota Celica Radio Wiring Diagram Digital Resources

29a8569 Toyota 4afe Engine Diagram Wiring Resources
0 Response to "Toyota Corolla Big Body Wiring Diagram"
Posting Komentar